Observe a figura a seguir.

A figura acima representa um conversor CC/CC, na qual Sé uma chave ativa que opera em alta frequência de chaveamento. Como se denomina esse conversor?
Provas
Questão presente nas seguintes provas
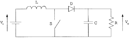
Observe a figura a seguir.

A figura acima representa um conversor CC/CC, na qual Sé uma chave ativa que opera em alta frequência de chaveamento. Como se denomina esse conversor?