
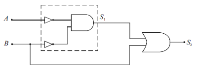
A figura acima ilustra um circuito lógico com duas variáveis de entrada e uma de saída. No que se refere ao funcionamento desse circuito lógico, julgue os próximos itens.
![]()

A figura acima ilustra um circuito lógico com duas variáveis de entrada e uma de saída. No que se refere ao funcionamento desse circuito lógico, julgue os próximos itens.
![]()