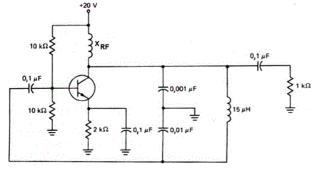
Observe o circuito a seguir.

Com relação a esse circuito, é CORRETO afirmar que:
Provas
Questão presente nas seguintes provas
Soldado Bombeiro Militar - Técnico em Eletrônica
50 Questões
Observe o circuito a seguir.

Com relação a esse circuito, é CORRETO afirmar que: