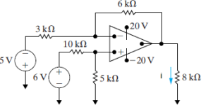
Após a análise de um equipamento eletrônico com comportamento anômalo, a equipe de engenharia identificou um componente como potencial causa do mau funcionamento: um amplificador operacional (AmpOp). A equipe então isolou o componente e criou um circuito de testes, demonstrado ao lado, que é continuamente monitorado. Para que seja possível identificar eventuais problemas, é necessário determinar o valor da corrente i (no resistor de 8 kΩ), para comparações com o valor medido. Levando em consideração os dados apresentados, assinale a alternativa correta com o valor da corrente i, considerando o circuito como ideal.

Provas
Questão presente nas seguintes provas
Engenheiro Eletricista
50 Questões
Engenheiro Eletricista (Revezamento)
50 Questões