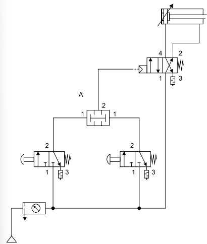
A figura a seguir mostra um circuito pneumático de uma máquina cortadora de papel.

A válvula indicada pela letra A possui uma função lógica do tipo:
A figura a seguir mostra um circuito pneumático de uma máquina cortadora de papel.

A válvula indicada pela letra A possui uma função lógica do tipo: