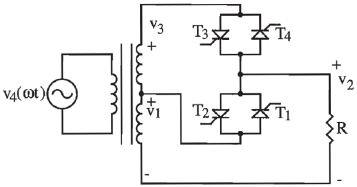
Considerando o circuito de eletrônica de potência da Figura, é correto afirmar que esse circuito representa

Figura: Circuito de eletrônica de potência.
Considerando o circuito de eletrônica de potência da Figura, é correto afirmar que esse circuito representa

Figura: Circuito de eletrônica de potência.