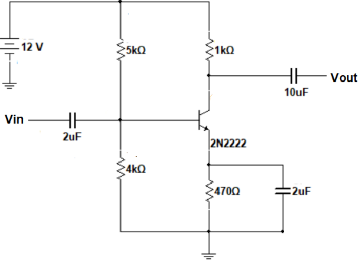
Para o circuito amplificador a seguir, determine o ganho Av do circuito para a primeira aproximação na análise CC. O β do transistor é 150 e o Vbe = 0,6V.

Para o circuito amplificador a seguir, determine o ganho Av do circuito para a primeira aproximação na análise CC. O β do transistor é 150 e o Vbe = 0,6V.
