Magna Concursos
Questões
Planos
Entrar
Entrar
Criar Conta
Respondida
2478261
Ano:
2014
Disciplina:
Engenharia Elétrica
Banca:
UFSC
Orgão:
UFSC
Provas:
Técnico de Eletrotécnica
Provas
×
Circuitos Elétricos
Teoremas: Superposição, Thévenin, Norton e Outros
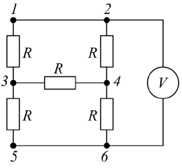
A figura abaixo representa um circuito elétrico composto por uma fonte de tensão
V
e resistores
R
.
Com relação ao circuito, é
CORRETO
afirmar que:
A
a potência fornecida pela fonte de tensão é dissipada em todos os resistores do circuito.
B
o sentido da corrente elétrica influencia na determinação das quedas de tensão.
C
analisando-se o circuito é possível determinar todas as tensões e correntes.
D
caso sejam conectados os pontos 2 e 5, a fonte de tensão não estará em curto-circuito.
E
a resistência equivalente vista da fonte de tensão é 2
R
.
Resolver
Comentários
0
×
Cadernos
×
Flashcards
×
Estatísticas
×
Reportar um erro
×
Provas
Questão presente nas seguintes provas
Técnico de Eletrotécnica
40 Questões
Resolver Prova
Publicar
Responder
Qual o problema da questão?
Selecione uma opção
Questão Desatualizada
Questão Repetida
Gabarito Errado
Outros Motivos
Mensagem
Enviar
Acessar
Criar Conta
Acesse sua Conta
Google
Facebook
Esqueci minha senha
Acessar
Ainda não tem conta?
Crie uma
!
Crie uma Conta
Criar Conta
Olá, para continuar, precisamos criar uma conta!
É
rápido
e
grátis
.
Google
Facebook
Concordo com os
Termos de Uso
Criar
Já tem uma conta?
Acesse aqui