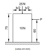
Um bloco retangular, homogêneo e rígido, com peso de 10N e
altura de 75mm, é posicionado em um plano horizontal e
submetido à força vertical de 25N e a uma força horizontal P, que
move o bloco com velocidade constante ao longo da superfície,
conforme ilustra a figura a seguir.
Sabendo que o coeficiente de atrito entre a superfície horizontal e o bloco vale 0,10, a largura máxima b desse bloco, sem que haja tombamento na condição apresentada, é de
Sabendo que o coeficiente de atrito entre a superfície horizontal e o bloco vale 0,10, a largura máxima b desse bloco, sem que haja tombamento na condição apresentada, é de