Magna Concursos
644304 Ano: 2017
Disciplina: Engenharia Elétrica
Banca: Col. Pedro II
Orgão: Col. Pedro II
Provas:
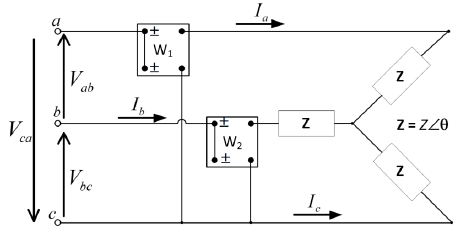
Na figura a seguir, as potências medidas pelos wattímetros W1 e W2 são respectivamente P1 e P2.
Enunciado 644304-1
Com isto, a potência reativa total e a aparente total em função de P1 e P2 são dadas respectivamente por
Questão Anulada

Provas

Questão presente nas seguintes provas

Engenheiro Eletricista

70 Questões