Magna Concursos
Questões
Planos
Entrar
Entrar
Criar Conta
Respondida
2453865
Ano:
2013
Disciplina:
Engenharia Civil
Banca:
UFC
Orgão:
UFC
Provas:
Engenheiro Civil - Cálculo Estrutural
Provas
×
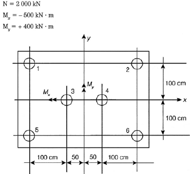
A carga atuante nas estacas do bloco abaixo, sabendo-se que no mesmo atuam as seguintes cargas (consideradas na cota de arrasamento) será igual:
A
P1= 395KN; P2= 521KN; P3=312KN; P4=354KN; P5=145KN; P6= 271KN
B
P1= 521KN; P2= 395KN; P3=271KN; P4=312KN; P5=354KN; P6= 145KN
C
P1= 780KN; P2= 1521KN; P3=114KN; P4=247KN; P5=985KN; P6= 665KN
D
P1= 850KN; P2= 390KN; P3=650KN; P4=540KN; P5=900KN; P6= 850KN
E
P1= 1050KN; P2= 1874KN; P3=850KN; P4=652KN; P5=745KN; P6= 623KN
Resolver
Comentários
0
×
Cadernos
×
Flashcards
×
Estatísticas
×
Reportar um erro
×
Provas
Questão presente nas seguintes provas
Engenheiro Civil - Cálculo Estrutural
60 Questões
Resolver Prova
Publicar
Responder
Qual o problema da questão?
Selecione uma opção
Questão Desatualizada
Questão Repetida
Gabarito Errado
Outros Motivos
Mensagem
Enviar
Acessar
Criar Conta
Acesse sua Conta
Google
Facebook
Esqueci minha senha
Acessar
Ainda não tem conta?
Crie uma
!
Crie uma Conta
Criar Conta
Olá, para continuar, precisamos criar uma conta!
É
rápido
e
grátis
.
Google
Facebook
Concordo com os
Termos de Uso
Criar
Já tem uma conta?
Acesse aqui