Observe a figura a seguir.

Foi dado um curto circuito entre os pontos A e B no circuito acima. Qual será o valor do módulo da corrente na saída do gerador, quando for atingido o estado permanente?
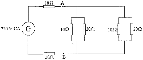
Observe a figura a seguir.

Foi dado um curto circuito entre os pontos A e B no circuito acima. Qual será o valor do módulo da corrente na saída do gerador, quando for atingido o estado permanente?