
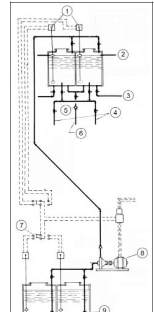
A respeito da figura anterior, que mostra esquematicamente o desenho de alguns componentes de instalações elétrica e hidráulica típicas para o bombeamento de água em um prédio, julgue as associações propostas, nos itens que se seguem, entre número e nome do componente.
3 tubulação de distribuição de água