Disciplina: TI - Organização e Arquitetura dos Computadores
Banca: IF-ES
Orgão: IF-ES
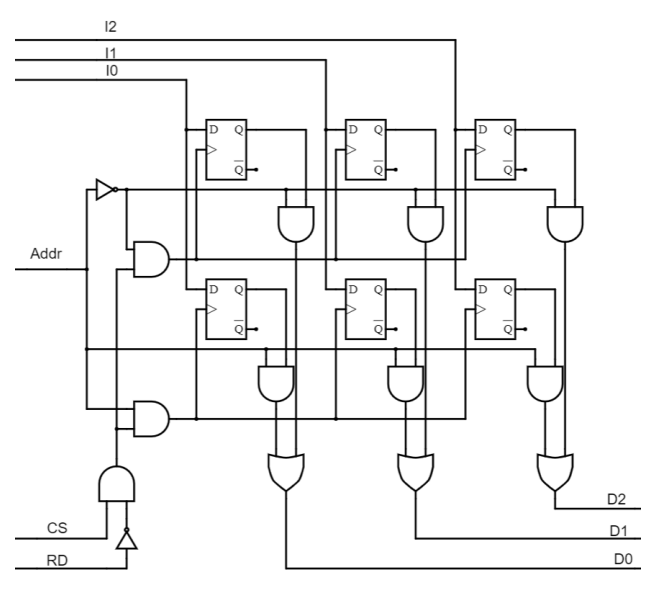
A figura abaixo ilustra os circuitos lógicos no desenvolvimento de uma memória RAM estática, em um arranjo simplificado de 2 x 3, isto é, 2 endereços de 3 bits. As entradas para o armazenamento dos 3 bits são representadas como I2, I1, I0. Também é possível visualizar uma entrada Addr para o endereçamento e duas entradas de controle CS (Chip Select) e RD (ReaD). As saídas da memória (lidas de algum endereço) são representadas por D2, D1 e D0. Outras possíveis entradas e saídas não foram representadas, pois não influenciam na análise da questão. Com base nesta memória, analise os diagramas de tempo dos sinais de entrada e determine as saídas D2, D1 e D0. Assinale a alternativa que corresponde aos valores das saídas no tempo T2, na ordem do bit mais significativo para o menos significativo, isto é: D2, D1, D0

