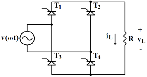
A figura abaixo se refere a um circuito eletrônico de potência.

Marque a alternativa que apresenta a denominação correta deste circuito.
A figura abaixo se refere a um circuito eletrônico de potência.

Marque a alternativa que apresenta a denominação correta deste circuito.