
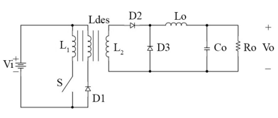
Considerando-se o circuito do conversor apresentado na figura precedente, julgue o item que se segue.
O conversor apresenta tensão contínua na entrada e tensão alternada na saída.

Considerando-se o circuito do conversor apresentado na figura precedente, julgue o item que se segue.
O conversor apresenta tensão contínua na entrada e tensão alternada na saída.