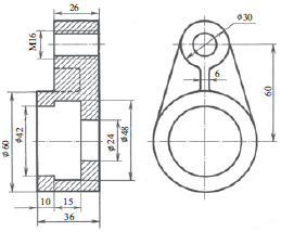
Analise a peça ilustrada na figura a seguir (desconsidere a leitura dos valores das cotas do desenho).

Assinale a alternativa que contém informações técnicas corretas em relação ao desenho técnico mostrado.
Provas
Questão presente nas seguintes provas