- Transformadores e Máquinas ElétricasMáquinas EstáticasTransformador de Corrente
- Transformadores e Máquinas ElétricasMáquinas EstáticasTransformador de Potência

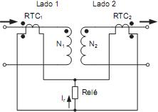
A Figura acima mostra o esquema de proteção diferencial de um transformador monofásico, em que
Considerando-se que todos os transformadores sejam ideais, para que a corrente