
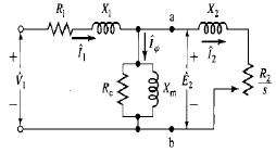
O motor de indução pode ser representado por um circuito equivalente monofásico, referido ao estator, conforme mostra a figura.
Assinale a opção incorreta.

O motor de indução pode ser representado por um circuito equivalente monofásico, referido ao estator, conforme mostra a figura.
Assinale a opção incorreta.