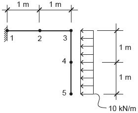
Considere a estrutura isostática esquematizada a seguir, na qual 1, 2, 3, 4 e 5 são pontos da estrutura, e o único apoio está representado no ponto 1.

Com base no diagrama de momentos fletores, os valores absolutos, em kNm, nos pontos 2, 4 e 5, são, respectivamente,