Observe a esquematização de um pórtico isostático reproduzido a seguir:

Nesse esquema, em relação à barra BC, tracionando a parte interna do pórtico,
Provas
Questão presente nas seguintes provas
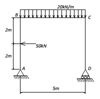
Observe a esquematização de um pórtico isostático reproduzido a seguir:

Nesse esquema, em relação à barra BC, tracionando a parte interna do pórtico,