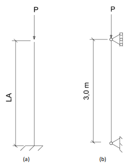
As figuras a seguir apresentam duas colunas metálicas, construídas com aço carbono com módulo de Young de 200 GPa. A coluna (a) possui seção transversal quadrada de lado 0,2m, enquanto a coluna (b) possui seção transversal quadrada de lado 0,1m.

Para que ambas as colunas possuam a mesma carga de instabilidade à compressão axial, o comprimento da coluna (a), LA, deve ser de