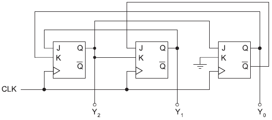
Na figura abaixo, é apresentado o diagrama esquemático de um circuito lógico sequencial constituído apenas por flip-flops JK, comandado por um sinal de clock (CLK) periódico.

Considerando-se que o circuito inicia sua operação a partir do estado Y2Y1Y0 = 000, sabe-se que o