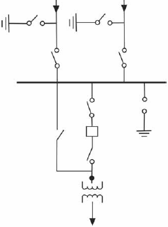
Julgue o item seguinte, relativo às subestações, os seus arranjos, os tipos e os equipamentos utilizados em sua construção.
O arranjo de subestação com duas entradas radiais ilustrado na figura abaixo só permite a alimentação da subestação por uma entrada de cada vez, o que causa o desligamento da carga em caso de necessidade de transferência de fonte.
