
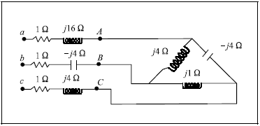
O circuito acima é alimentado por uma fonte de alimentação senoidal trifásica, ideal, equilibrada e simétrica, em regime permanente. A fonte, omitida no desenho, fornece uma tensão de linha de 380 V eficazes. A partir dessas informações e da figura acima, julgue o item subseqüente.
A intensidade da corrente de linha suprida pela fonte é a mesma em cada fase, sendo igual a 200 A.
Provas
Questão presente nas seguintes provas
Analista Legislativo - Engenharia Elétrica
200 Questões