2632790
Ano: 2023
Disciplina: Engenharia Eletrônica
Banca: FUNDATEC
Orgão: Pref. Farroupilha-RS
Disciplina: Engenharia Eletrônica
Banca: FUNDATEC
Orgão: Pref. Farroupilha-RS
Provas:
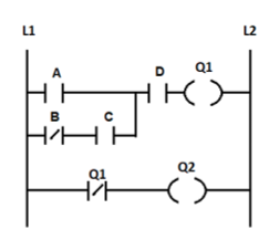
Para o diagrama Ladder a seguir, determine a expressão booleana equivalente para a saída Q2.
