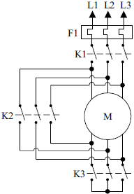
Na figura a seguir é mostrado o esquema de acionamento de um motor de indução de gaiola com seis terminais, com um esquema de partida com chaveamento estrela - triângulo.

Os elementos mostrados na figura são: F1 – fusíveis de proteção, K1 – contator principal, K2 – contator para ligação das bobinas do motor em delta, K3 – contator para ligação das bobinas do motor em estrela.
Sobre esse esquema, durante a partida do motor:
Provas
Questão presente nas seguintes provas