Analise o circuito a seguir.

Com base no circuito acima, calcule a impedância equivalente entre os pontos A e B e assinale a opção correta.
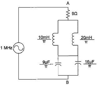
Analise o circuito a seguir.

Com base no circuito acima, calcule a impedância equivalente entre os pontos A e B e assinale a opção correta.