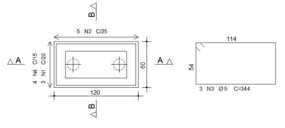
Figura para as questões 23 e 24.



A figura acima mostra o detalhe de um projeto de fundação de um edifício. Supondo que haja dez blocos de fundação semelhantes ao mostrado na figura e que, com exceção das bitolas, todas as medidas estejam em centímetros, desconsiderando as perdas, assinale a alternativa que apresenta o valor da armadura de aço 5.0 (CA-60) para todos os blocos.