Magna Concursos
Questões
Planos
Entrar
Entrar
Criar Conta
Respondida
2394775
Ano:
2010
Disciplina:
Engenharia Eletrônica
Banca:
PUC-PR
Orgão:
COPEL
Provas:
Técnico Industrial - Eletrônica
Provas
×
Filtros ativos e passivos
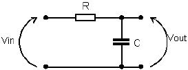
Considerando um resistor R = 10K, determine que tipo de filtro este circuito implementa e qual deve ser o capacitor para que a frequência de corte seja de 1KHz.
A
O circuito é um filtro passa baixa e o capacitor deve ser de aproximadamente 16nF.
B
O circuito é um filtro passa alta e o capacitor deve ser de aproximadamente 16nF.
C
O circuito é um filtro passa alta e o capacitor deve ser de aproximadamente 160nF.
D
O circuito é um filtro passa baixa e o capacitor deve ser de aproximadamente 160nF.
E
O circuito é um filtro passa alta e o capacitor deve ser de aproximadamente 1,6nF.
Resolver
Comentários
0
×
Cadernos
×
Flashcards
×
Estatísticas
×
Reportar um erro
×
Provas
Questão presente nas seguintes provas
Técnico Industrial - Eletrônica
50 Questões
Resolver Prova
Publicar
Responder
Qual o problema da questão?
Selecione uma opção
Questão Desatualizada
Questão Repetida
Gabarito Errado
Outros Motivos
Mensagem
Enviar
Acessar
Criar Conta
Acesse sua Conta
Google
Facebook
Esqueci minha senha
Acessar
Ainda não tem conta?
Crie uma
!
Crie uma Conta
Criar Conta
Olá, para continuar, precisamos criar uma conta!
É
rápido
e
grátis
.
Google
Facebook
Concordo com os
Termos de Uso
Criar
Já tem uma conta?
Acesse aqui