
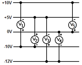
Cinco voltímetros foram conectados aos terminais de uma fonte de alimentação, conforme representado na figura acima. Levando-se em conta as polaridades das tensões das linhas e as polaridades dos voltímetros, as tensões medidas por V1, V2, V3, V4 e V5 são, respectivamente,