
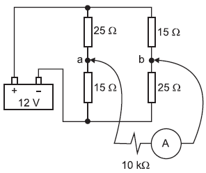
No circuito elétrico da figura acima, um amperímetro de resistência interna desprezível, associado em série com uma resistência de 10 kΩ, é conectado entre os pontos a e b. No amperímetro, o sentido convencional da corrente elétrica flui de

No circuito elétrico da figura acima, um amperímetro de resistência interna desprezível, associado em série com uma resistência de 10 kΩ, é conectado entre os pontos a e b. No amperímetro, o sentido convencional da corrente elétrica flui de