
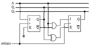
Considerando que, no circuito digital da figura acima, o estado inicial do sistema seja Q1 = 0 e Q0 = 0, julgue o item seguinte.
Se A = 0, então, após um ciclo completo do relógio, o estado do sistema será Q1 = 0 e Q0 = 1.
Provas
Questão presente nas seguintes provas
Analista Técnico-Científico - Engenharia Elétrica
120 Questões