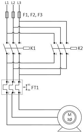
A Figura abaixo mostra um circuito trifásico composto por três fusíveis, duas contatoras, um relé térmico e um motor de indução trifásico.

O acionamento do motor pode ser feito pela contatora K1 ou pela contatora K2, o que permite a operação do motor com