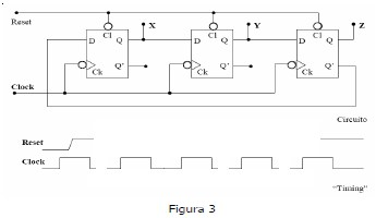
Com base no circuito digital e no “timing” mostrados na figura 3 e considerando que o sinal “RESET” é mantido em nível lógico 1, as seqüências em XYZ voltarão a se repetir após: (Cl=clear e Ck=clock)

Com base no circuito digital e no “timing” mostrados na figura 3 e considerando que o sinal “RESET” é mantido em nível lógico 1, as seqüências em XYZ voltarão a se repetir após: (Cl=clear e Ck=clock)
