2791211
Ano: 2023
Disciplina: Engenharia Elétrica
Banca: Avança SP
Orgão: Pref. Morungaba-SP
Disciplina: Engenharia Elétrica
Banca: Avança SP
Orgão: Pref. Morungaba-SP
Provas:
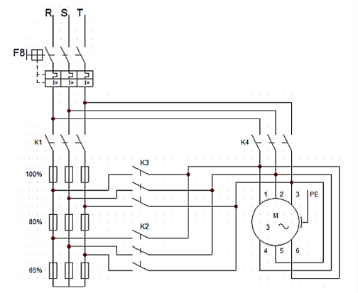
A figura abaixo mostra o esquema de um(a):
