Magna Concursos
2778527 Ano: 2023
Disciplina: Engenharia Elétrica
Banca: FUNDATEC
Orgão: GHC
Provas:

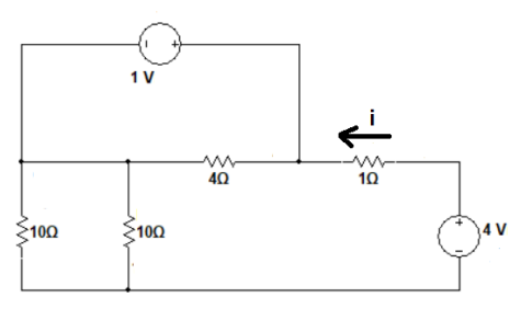
Para o circuito apresentado na imagem a seguir, determine a corrente “i”.

Enunciado 2778527-1

 

Provas

Questão presente nas seguintes provas

Engenheiro Eletricista

50 Questões