Magna Concursos
2724052 Ano: 2023
Disciplina: Engenharia Eletrônica
Banca: FUNDATEC
Orgão: GHC
Provas:

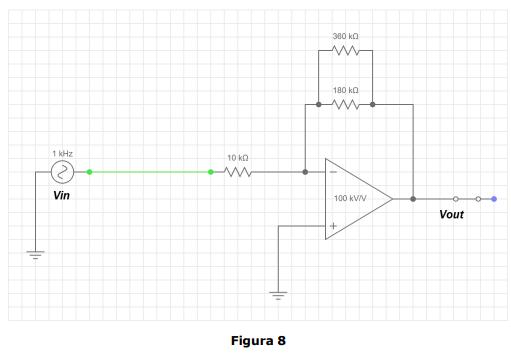
Sabendo que a tensão de entrada no circuito da Figura 8 é Vin = 1V (Vp) ou 2V (Vpp), a saída Vout será:

Enunciado 3446184-1

 

Provas

Questão presente nas seguintes provas

Técnico em Eletrônica

50 Questões