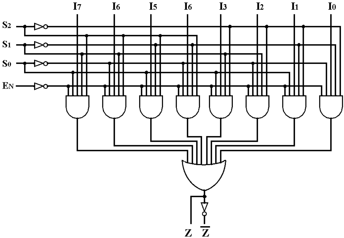
Analise o circuito digital a seguir, que tem como saídas os terminais !$ Z !$ !$ e !$ !$ \bar Z !$ , e assinale a alternativa que corresponda à sua definição.

Analise o circuito digital a seguir, que tem como saídas os terminais !$ Z !$ !$ e !$ !$ \bar Z !$ , e assinale a alternativa que corresponda à sua definição.
