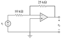
Analise o circuito com amplificador operacional apresentado a seguir.

Considerando-se que a tensão de saída é vo = 2,5 V, o valor da tensão de entrada vi é
Provas
Questão presente nas seguintes provas
Analise o circuito com amplificador operacional apresentado a seguir.

Considerando-se que a tensão de saída é vo = 2,5 V, o valor da tensão de entrada vi é