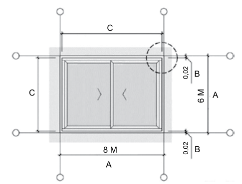
Considere as figuras a seguir, adaptadas da norma brasileira sobre coordenação modular em edificações:
Detalhe do desenho:
(ABNT)
A medida indicada nos desenhos está em metros.
Nos termos da mencionada norma técnica, as duas dimensões A definem
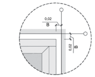
Detalhe do desenho:
(ABNT)
A medida indicada nos desenhos está em metros.
Nos termos da mencionada norma técnica, as duas dimensões A definem
Provas
Questão presente nas seguintes provas