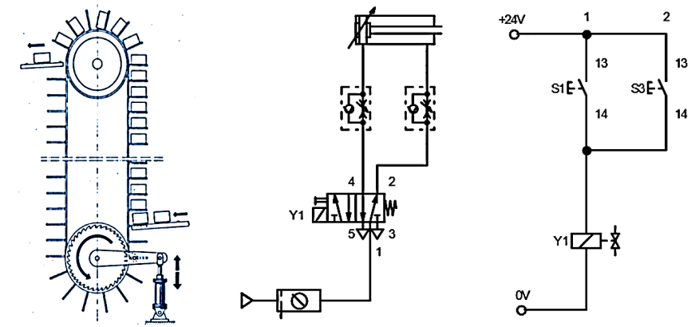
Observe a imagem de um transportador de cargas vertical movido por um cilindro pneumático. Os circuitos simplificados pneumático e elétrico estão evidenciados a seguir.

De acordo com o projeto eletropneumático apresentado, assinale a afirmativa INCORRETA.