Magna Concursos
3879075 Ano: 2025
Disciplina: Engenharia Elétrica
Banca: UFF
Orgão: UFF
Provas:
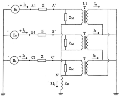
O diagrama apresentado a seguir indica a ligação de um banco de transformador na configuração estrela-triângulo. Esse arranjo é usado para medir a impedância de sequência zero vista pelo primário ligado em estrela. A mesma tensão E0 é aplicada nas três fases, produzindo três correntes idênticas I0.

Enunciado 4855580-1


Considerando-se a impedância de magnetização ZM infinita, o valor obtido pela divisão da tensão E0 e a corrente I0 será
 

Provas

Questão presente nas seguintes provas