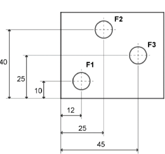
A figura ao lado representa uma peça retangular plana com três furos indicados por F1, F2 e F3. As medidas, dadas em mm, indi-cam as distâncias dos centros dos furos (circunferências) em rela-ção a dois lados da peça, um horizontal e outro vertical.

Assinale a alternativa que indica CORRETAMENTE a menor dis-tância entre os centros dos furos F2 e F3.