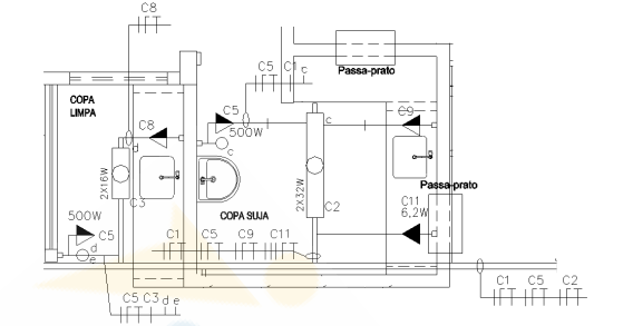
Com base na figura abaixo, que exibe um corte parcial do projeto elétrico de um
restaurante, analise as assertivas abaixo:
I. O projeto, estranhamente, não apresenta condutores de terra. II. O circuito C2 e C3 são de iluminação. III. O circuito C5 atende tomadas de potência superiores a 100 W. IV. Somente o circuito C9 atende as luminárias existentes no projeto.
Quais estão corretas?
I. O projeto, estranhamente, não apresenta condutores de terra. II. O circuito C2 e C3 são de iluminação. III. O circuito C5 atende tomadas de potência superiores a 100 W. IV. Somente o circuito C9 atende as luminárias existentes no projeto.
Quais estão corretas?