Considerar estes valores quando necessário:
√2 = 1,41
√3 = 1,73
\( s \)\( e \)\( n \)(30°) = 1/2
\( s \)\( e \)\( n \)(45°) = √2/2
\( s \)\( e \)\( n \)(60°) = √3/2
\( \pi \) = 3,14
\( c \)\( o \)\( s \)(30°) = √3/2
\( c \)\( o \)\( s \)(45°) = √2/2
\( c \)\( o \)\( s \)(60°) = 1/2
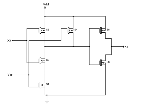
O circuito a seguir, construído com chaves elétricas controladas do tipo nMOS e pMOS, corresponde ao funcionamento de uma porta lógica.

Fonte: FUNCERN, 2025.
Considerando que a tensão de alimentação Vdd é suficiente para alimentar todo o circuito e que as entradas X e Y são alimentadas com tensões acima da tensão limiar, a porta lógica representada na figura é