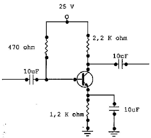
Observe a figura abaixo:

Os valores de lb, lc, VCE, Vc e VE para o circuito de polarização do emissor da figura acima são, respectivamente:
Dados: \( \beta = 70, Ic = Ie \ e \ V_{BE} = 0,7 \).
Provas
Questão presente nas seguintes provas
Corpo da Armada - Eletrônica
50 Questões
Corpo de Fuzileiros Navais - Eletrônica
50 Questões