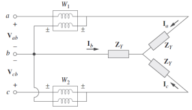
Considere o sistema de medição de potência ativa trifásica usando dois wattímetros W1 e W2,
conforme apresentado a seguir.
Considerando-se que o ângulo do fator de potência da carga em estrela é θ atrasado (carga indutiva), a defasagem angular entre a tensão de linha da Vab e a corrente de linha Ia é
Considerando-se que o ângulo do fator de potência da carga em estrela é θ atrasado (carga indutiva), a defasagem angular entre a tensão de linha da Vab e a corrente de linha Ia é
Provas
Questão presente nas seguintes provas