O circuito abaixo usa transistores de silício ideais, sendo \( \beta \)Q1 = 50, \( \beta \)Q2 = 10 e VBE = 0,7 V.

A corrente na base de Q1 é
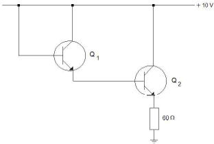
O circuito abaixo usa transistores de silício ideais, sendo \( \beta \)Q1 = 50, \( \beta \)Q2 = 10 e VBE = 0,7 V.

A corrente na base de Q1 é