Magna Concursos
4076755 Ano: 2014
Disciplina: Engenharia Eletrônica
Banca: IDECAN
Orgão: CNEN
Provas:

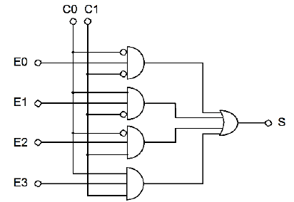
O circuito lógico apresentado é um exemplo de

Enunciado 4410289-1

 

Provas

Questão presente nas seguintes provas

Tecnologista Júnior - TL2

100 Questões